Cincyret
New member
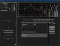
Attached are the first measurements of my new Sointuvas. The graph shows the results of the average of 3 each MMM measurements - Grills On and Off.
1) I only have one LP (8 ft equilateral triangle). I used the MMM measurement style (I don't understand waterfalls!).
2) The measurement were taken without any room EQ and without a Sub.
3) I think the graph shows the benefits of a well engineered speaker. I only need to EQ the room (<600Hz), the speaker itself needs no EQ.
Comments?

1) I only have one LP (8 ft equilateral triangle). I used the MMM measurement style (I don't understand waterfalls!).
2) The measurement were taken without any room EQ and without a Sub.
3) I think the graph shows the benefits of a well engineered speaker. I only need to EQ the room (<600Hz), the speaker itself needs no EQ.
Comments?

Last edited:


